Двухпоточный насос СЕРИИ 311.TF
- Категория
- ГИДРОНАСОСЫ
- Модель
- Двухпоточный насос СЕРИИ 311.TF
Гидронасос двухпоточный 311.TF. предназначен для преобразования механической энергии вращения вала гидронасоса в энергию потока рабочей жидкости. Позволяют управлять двумя независимыми рабочими функциями стационарных и мобильных установок.






Основные варианты исполнения Шифратор изделий
| 311.TF.70.35.R.P1.F80.NN
Гидронасос двухпоточный 311.TF. предназначен для преобразования механической энергии вращения вала гидронасоса в энергию потока рабочей жидкости.
|
по запросу |
по запросу
|
| 311.TF.70.35.R.P1.F80.NN.B.У1
|
117 100 ₽
1 шт. в наличии |
117 100 ₽
1 шт. в наличии |
ПРИМЕЧАНИЕ:
При отсутсвии наличия необходимого варианта исполнения на региональном складе, обратитесь к официальному дилеру ближайшего к вам региона. Для этого выбирайте регион сверху сайта. Либо оставьте заявку с помощью звонка по телефону указанному на данном сайте или нажав кнопку Оставить заявку.
Технические данные
- ХАРАКТЕРИСТИКИ
- ПРИМЕНЕНИЕ
- ДОКУМЕНТАЦИЯ
- Гидронасос двухпоточный 311.TF. предназначен для преобразования механической энергии вращения вала гидронасоса в энергию потока рабочей жидкости.
- Позволяют управлять двумя независимыми рабочими функциями стационарных и мобильных установок..
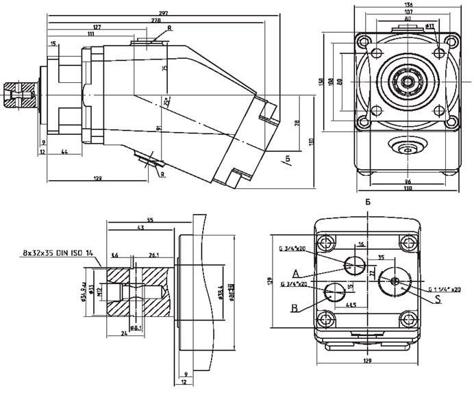
- Гидронасос имеет два независимых рабочих выхода за счет двухрядной (два ряда поршней) конструкции качающего узла.
- согласно DIN/ISO 14
|
Наименование параметров
|
Значения параметров
|
|
Рабочий объем (номинальный), см3
Выход А
Выход В
|
35
75
|
|
Частота вращения, с-1 (об/мин):
· минимальная n min
· номинальная n nom
· максимальная (выходы А и в под нагрузкой)
· максимальная без нагрузки
|
6,7 (400)
20,0 (1200)
33,3 (2000)
42,5 (2550)
|
|
Подача (номинальная) дм3/с ( л/мин)
Выход А
Выход В
|
0,67 (40)
1,3 (80)
|
|
Давление на выходе, МПа (кгс/см3) номинальное
Выход А
Выход В
|
20 (200)
20 (200)
|
|
Давление на выходе, МПа (кгс/см3) максимальное
Выход А
Выход В
|
35 (350)
35 (350)
|
|
Давление на входе, МПа (кгс/см3)
· минимальное
· максимальное
|
0,08 (0,8)
0,2 (2,0)
|
|
Номинальная мощность (потребляемая), кВт
|
44,4
|
|
Коэффициент подачи (выход А и В)
|
0,95
|
|
КПД полный
|
0,9
|
|
Масса (без рабочей жидкости), кг
|
26
|








