Гидрораспределитель четырехсекционный PC-150
- Категория
- ГИДРОРАСПРЕДЕЛИТЕЛИ
- Модель
- Гидрораспределитель четырехсекционный PC-150
Гидрораспределители типа PC-150 предназначены для пуска, останова и реверсирования потока рабочей жидкости.




Основные варианты исполнения Шифратор изделий
| 3РС150.007.000.
Применяются для управления ковшом погрузчика TLB-825
|
по запросу |
по запросу
|
| 4РС150.001.000.
Аналог SD16/4… (Walvoil), Q160... (Galtech) для КАЗ, ГАКЗ (Клинцы, Галич) Автокраны
|
82 800 ₽
1 шт. в наличии |
82 800 ₽
1 шт. в наличии |
| 4РС.150.002.000.
Аналог HC-D20/4... (HydroControl), SD16/4… (Walvoil) для ЧМЗ, Иваново Автокраны
|
по запросу |
по запросу
|
| 4РС.150.004.000.
Аналог ZL20b-40T (Китай) для ЧСДМ (Челябинск) Автогрейдеры
|
по запросу |
по запросу
|
| 4РС.150.005.000.
Аналог ZL20b-40T (Китай) для ЧСДМ (Челябинск) Автогрейдеры
|
по запросу |
по запросу
|
| 6РС.150.003.000.
Аналог RM-276 (Nordhydraulic) для КМУ Велмаш
|
по запросу |
по запросу
|
| 6РС.150.002.000.
Аналог HSD-6/6 (HydroControl для КМУ ММЗ (Майкоп)
|
по запросу |
по запросу
|
| 6РС.150.001.000.
Аналог RM-316 (Nordhydraulic) для КМУ Велмаш (RM-316)
|
по запросу |
по запросу
|
| 7РС150.001.000.
Применяются для управления экскаваторным оборудованием TLB-825
|
по запросу |
по запросу
|
ПРИМЕЧАНИЕ:
При отсутсвии наличия необходимого варианта исполнения на региональном складе, обратитесь к официальному дилеру ближайшего к вам региона. Для этого выбирайте регион сверху сайта. Либо оставьте заявку с помощью звонка по телефону указанному на данном сайте или нажав кнопку Оставить заявку.
Технические данные
- ХАРАКТЕРИСТИКИ
- ПРИМЕНЕНИЕ
- ДОКУМЕНТАЦИЯ
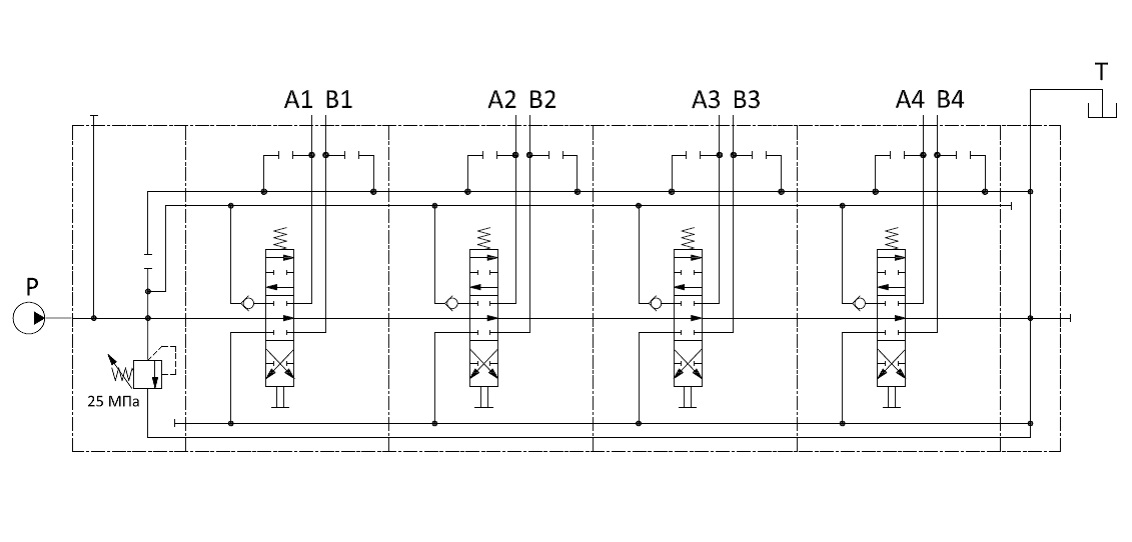
Назначение:
Гидрораспределитель типа 4PC-150 предназначен для пуска, остановки и реверсирования потока рабочей жидкости.
Гидрораспределитель применяется для управления рабочими операциями автомобильных кранов:
- подъем-опускание стрелы;
- телескопирование стрелы;
- вращение барабана грузовой лебедки;
- вращение платформы.
Конструктивные особенности:
- Вид управления – механическое (тросиковое или тягами).
- Присоединение рабочих каналов – резьбовое.
- Возврат золотника в нейтральное положение – пружинное.
- В напорной секции встроен предохранительный клапан с электроразгрузкой;
- Имеется возможность встраивания в рабочие секции предохранительных и обратных клапанов;
- Имеется возможность встраивания в рабочие секции реле положения «ВКЛ.-ВЫКЛ.» золотника
Технические характеристики:
|
Параметр |
Значение |
|
Номинальный расход рабочей жидкости, л/мин |
150 |
|
Максимальный расход рабочей жидкости, л/мин |
170 |
|
Максимальное рабочее давление, МПа |
30 |
|
Максимальное давление в сливной секции, МПа |
2 |
|
Максимальные утечки из рабочих каналов в сливной, см3/мин |
5 |
|
Диапазон температуры рабочей жидкости, °С |
от -20 до +80 |
|
Номинальная тонкость фильтрации, мкм |
25 |
|
Масса, кг |
30 |








